Producten
ANSI 150LB roestvrijstalen flensbolklep
  • ANSI 150LB roestvrijstalen flensbolklepANSI 150LB roestvrijstalen flensbolklep
  • ANSI 150LB roestvrijstalen flensbolklepANSI 150LB roestvrijstalen flensbolklep
  • ANSI 150LB roestvrijstalen flensbolklepANSI 150LB roestvrijstalen flensbolklep

ANSI 150LB roestvrijstalen flensbolklep

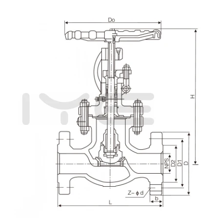
DIYE VALVE - een exporteur van ANSI 150LB roestvrijstalen flensbolklep. Onze ANSI-flensafsluiters zijn zorgvuldig ontworpen en vervaardigd in overeenstemming met internationale normen, waaronder ANSI/ASME B16.34. De kleplichamen zijn gemaakt van hoogwaardige materialen zoals 304/316/316L roestvrij staal, voorzien van een gestandaardiseerde flensverbindingsstructuur en geschikt voor drukklassen variërend van klasse 150 tot klasse 600. Nominale diameter

1. De ANSI 150LB roestvrijstalen flensbolklep heeft een stijgend stemschijfontwerp. De afdichtingsoppervlakken van de schijf en de zitting zijn nauwkeurig geslepen of overlay-gelast met Stellite-legering, waardoor uitstekende afdichtingsprestaties worden geleverd en een effectieve mediumstroomregeling tijdens aan-uit-werkzaamheden mogelijk wordt gemaakt. De klepsteel is verkrijgbaar met een buitenschroef- en juk- (OS&Y) of niet-stijgende steelontwerp om mediumlekkage te voorkomen, waardoor deze geschikt is voor werkomstandigheden met hogedruk- en zeer zuivere media.

2. Bewerking van het kleplichaam: De flensvlakken, afdichtingsoppervlakken en middenflensverbindingsvlakken van de ANSI-flensafsluiter zijn nauwkeurig gedraaid en geslepen door CNC-bewerkingsmachines, waardoor een goede afdichting met pijpleidingflenzen wordt gegarandeerd en wordt voldaan aan de ANSI B16.5-flensnorm.

3. Bewerking van klepsteel: De klepsteel van de ANSI 150LB roestvrijstalen flensbolklep is gemaakt van zeer sterk roestvrijstalen staafmateriaal door middel van draaien, afschrikken en ontlaten, warmtebehandeling en draadbewerkingsprocessen. Het oppervlak is onderworpen aan een nitreer- of verchroombehandeling om de corrosie- en slijtvastheid te verbeteren en zich aan te passen aan langdurig aan-uit-gebruik onder hoge druk.


Onze voordelen


1. Met een diepgaande betrokkenheid bij de overzeese markt voldoet onze ANSI 150LB roestvrijstalen flensbolklep precies aan de internationale normen en klantvereisten, ondersteund door een volwassen en efficiënt exportservicesysteem.

2. Onze in China vervaardigde ANSI 150LB roestvrijstalen flensbolklep wordt geproduceerd en geïnspecteerd in strikte overeenstemming met API / ANSI-normen, waardoor een betrouwbare afdichting en een lange levensduur van de producten wordt gegarandeerd.

3. Alle ANSI-flensafsluiters worden geleverd met een garantie van één jaar. Voor niet door de mens veroorzaakte fouten binnen de garantieperiode worden reparatie- of vervangingsdiensten aangeboden, waardoor een zorgeloze after-sales ervaring wordt gegarandeerd.







Vraag: Wat zijn de belangrijkste voordelen van roestvrijstalen flensbolkleppen vergeleken met schuifafsluiters en kogelkranen?

A: De 150LB roestvrijstalen flensbolklep is gespecialiseerd in smoring en stroomregeling, wat het grootste voordeel is. Vergeleken met schuifafsluiters heeft het nauwkeurige stroomregelprestaties en een betere afdichting; vergeleken met kogelkranen is het meer geschikt voor gelegenheden waarbij een stabiele smering onder gemiddelde en lage druk vereist is. Gecombineerd met de corrosieweerstand van 304/316L roestvrij staal, wordt het veel gebruikt in petrochemische, energiecentrales en precisievloeistofregelsystemen.


Vraag: Wat is de vereiste stroomrichting voor een 150LB roestvrijstalen flensbolklep tijdens installatie?

A: Er gelden strikte vereisten voor de stroomrichting en het moet worden geïnstalleerd in overeenstemming met de richting "laag in en hoog uit" die op het klephuis is aangegeven. Dit ontwerp zorgt ervoor dat de klepschijf onder invloed van gemiddelde druk strak tegen de klepzitting wordt gedrukt, waardoor de afdichtingsprestaties worden verbeterd. Als het omgekeerd wordt geïnstalleerd, vermindert dit niet alleen de smoornauwkeurigheid en het afdichtingseffect, maar verhoogt het ook het bedieningskoppel en veroorzaakt het zelfs klepschade onder hoge druk.





Hottags: ANSI 150LB roestvrijstalen flensbolklep, leverancier van roestvrijstalen bolkleppen, fabrikant van industriële bolkleppen
Stuur onderzoek
Contact informatie
Als u vragen heeft over een offerte of samenwerking, kunt u een e-mail sturen of het volgende vragenformulier gebruiken. Onze verkoopvertegenwoordiger neemt binnen 24 uur contact met u op.
X
We gebruiken cookies om u een betere browse-ervaring te bieden, het siteverkeer te analyseren en de inhoud te personaliseren. Door deze site te gebruiken, gaat u akkoord met ons gebruik van cookies. Privacybeleid
Afwijzen Accepteren